DŮM KOLEČEK » Vodící kladky a profily pro brány » Vodící kladky pro brány » Uložení pevné bez výškového nastavení
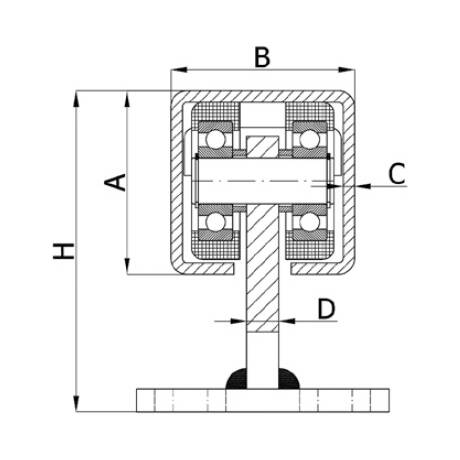
Parametry
| Zatížení | 600 kg | |
|---|---|---|
| Specifické parametry / dle výkresu | ||
| D | 14 mm | |
| B | 70 mm | |
| H | 128 mm | |
| A | 70 mm | |
| C | 4 mm | |
Popis
Vodící kladka pro brány pevná bez výškového nastavení - polyamidové rolny
8 rolen
Parametry dle přiloženého výkresu
Varianty
Česká firma
Zboží skladem
Odeslání do 24 hodin
Poradíme s výběrem

