DŮM KOLEČEK » Vodící kladky a profily pro brány » Vodící kladky pro brány » Uložení výkyvné bez výškového nastavení
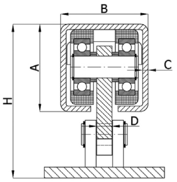
Parametry
| Zatížení | 800 kg | |
|---|---|---|
| Specifické parametry / dle výkresu | ||
| D | 14 mm | |
| B | 80 mm | |
| H | 143 mm | |
| A | 80 mm | |
| C | 4 mm | |
Popis
Vodící kladka pro brány výkyvná bez výškového nastavení - ocelové rolny
6 rolen
Parametry dle přiloženého výkresu
Varianty
Česká firma
Zboží skladem
Odeslání do 24 hodin
Poradíme s výběrem

